Offertförfrågan
Tack för din förfrågan!
Vi strävar alltid efter att återkomma till dig inom 24 hKontakta oss
Fyll i kontaktformuläret så återkopplar vi till dig så snabbt vi kan
Tack för din förfrågan!
Vi strävar alltid efter att återkomma till dig inom 24 hTillbaka till produkt
Ring oss
+46(0)36 316570
SVERO
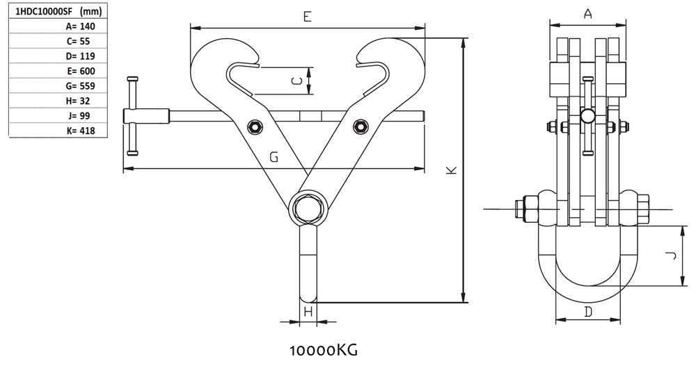
Art nr. 1HDC10000SF
Balkklämma 10 000 kg, fixerad gripklo
För lyft eller drag. Justerbar och enkel montering, inga verktyg behövs. Komplett med lyftschakel
698 SEK
Exkl. momsFå i lager
–
+
Beskrivning
- ställbara för IPE-, HEA-, HEB- eller INP-balkar
- lätt och säkert montage
- låg bygghöjd genom inbyggd bärbygel
- pulverlackerade
- fast, säkert grepp om bakflänsen, både vertikalt och horisontellt
- används som fästpunkt för lyftblock, telfrar och dragapparater mm
- arbetstemperatur -10° C upp till +50° C
- test- och CE-certifikat samt manualer medföljer
Egenskaper
Art nr.
1HDC10000SF
WLL
10000 kg
Balkbredd
203-457 mm
Testlast
15000 kg
Säkerhetsfaktor
4:1
Vikt, netto
28 kg
Märkning
CE, WLL, BEAM WIDTH
Standard
SS-EN 13155
Varumärke
SVERO
Manual
Produktblad 

